서 론
최근 기후변화와 인구증가로 시설원예 재배면적이 꾸준 히 증가하고 있으며, 양액재배는 토양 연작장해 피해나 자 연재해 예방 및, 밀식재배가 가능하지만, 폐쇄계에 가깝게 근권 환경이 관리됨에 따라 토양재배에서 문제가 되지 않 는 병해도 양액재배에서는 큰 피해를 입히는 경우가 있다. 양액이나 배지에 전염기관을 축적하여 만연하는 역병, 시 들음병, 무름병등과 같은 병해가 발생하면 농가에 영향이 크므로 사용된 배양액은 대부분 처리공정 없이 그대로 인 근 수계에 방류하는 실정이다. 사용된 배양액이 토양이나 하천으로 흘러들 경우 토양오염과 수질오염을 가중시키고 국가의 경제적·산업적으로 또 다른 악영향을 끼치게 된다.
최근 수자원 및 수생태 보호지역 등 환경보전지역에서 는 친환경농업육성법 제9조 1항 “농업으로 인한 환경오 염 방지”의 규정을 제정하였고, 환경부는 “수질 및 수생 태계 보전에 관한 법률” 제17조 2항에서 규정한 “상수 원을 오염시킬 우려가 있는 물질”의 유입 방지법 등을 시행하였다. 또한 시설하우스의 배양액은 수질환경보전 법상 산업체폐수로 분류되어 배출 기준으로 규제되고 있 으며, 특히 T-N 60mg·L−1 및 T-P 8mg·L−1 이하로 규제 하고 있어 앞으로 배양액 배출에 대한 규제가 한층 강 화될 것으로 예상되므로 환경친화적인 배양액 재처리기 술의 개발이 절실히 요구될 것으로 사료된다.
최근까지 보고된 시설재배에서 뿌리를 침해하는 빈도 가 높은 균은 Fusarium 속 균과 Phytophthora 속, Pythium 속의 수생균이다(Kusakari, 2009).
이들 병원균을 방제하기 위한 배양액 살균소독법으로 는 물리적방법인 모래여과, 자외선처리, 박막여과 등이 있고, 화학적방법인 차아염소산(전기분해), 과산화수소, 무기금속 방식 등이 있지만 실효성과 활용성이 높은 기 술개발이 절실히 요구된다.
마이크로버블은 통상적으로 50μm~100μm 이하의 직경을 지닌 버블입자를 의미하며, 2000년대에 들어 환경(하수처 리, 폐수처리, 하천정화), 전자(탈지세정, 박리연마) 및 화학 (균세정, 탈취, 살균) 등 다양한 분야에 연구가 진행되고 있 다. 특히 환경 분야에 적용연구가 많이 이루어지고 있으나 농업 분야에는 그 적용연구가 아주 미진한 실정이다.
마이크로버블을 이용한 파의 생육에서는 배양액 환경 및 산소농도를 높여 생육촉진과 대사활성을 촉진시킴으 로서 초장 10%, 지상부 생중량 28%, 근장 13% 및 근 건중량 30%가 증가하고, 뿌리의 형태에서 측근수가 증 가하였다고 보고하였으며(Nakano 등, 2009), 상추의 생 육에서는 마이크로버블에 의한 pH, EC 및 ORP는 차이 가 없으나 DO는 높아짐을 보여, 생중량 2.2배, 건중량 1.7배의 효과를 나타냈으며 특히 마이크로버블과 식물 뿌리의 연구가 요구된다고 하였다(Park 등, 2009).
오존은 높은 산화능력으로 인해 광범위한 미생물에 대 한 살균 또는 사멸효과를 가진 원소로 의료분야와 식품 분야에 널리 이용되고 있으나 농업분야에는 사용 예가 거의 없는 실정이며, 마이크로버블의 붕괴시 50μm이하에 서 프리 라디컬 생성과 오존마이크로버블 붕괴에 의한 수산기 라디컬 생성은 오폐수 처리 및 음료수에도 매우 중요하며 미래 수처리 응용에 매우 유용하다고 하였다 (Takahashi 등, 2007a, 2007b).
오존가스에 의한 토마토 위조병균의 토양병해충 살균 효과와 오존수에 의한 양액재배 병해방제 연구가 있으며 (Kusakari, 2008; Gyoutoku 등, 2011), 오존마이크로버블 을 이용하여 온도별로 상추와 방울토마토의 잔류농약을 제거하는 연구로는 30°C에서 효과가 높게 나타났고, 오존 2ppm으로 30분 처리에서 52%까지 제거된 것으로 보고 하였다(Ikeura 등, 2013).
이에 본 연구는 살균 소독제로 가능성이 제시된 오존을 이용하고. 살균효과를 극대화 할 수 있는 방식으로 마 이크로버블을 생성할 수 있는 장치에 오존을 공급하여 배양액 재처리 기술을 위한 오존마이크로버블의 살균효 과를 구명하고자 실시하였다.
재료 및 방법
1 실험장치
1.1 오존마이크로버블 장치
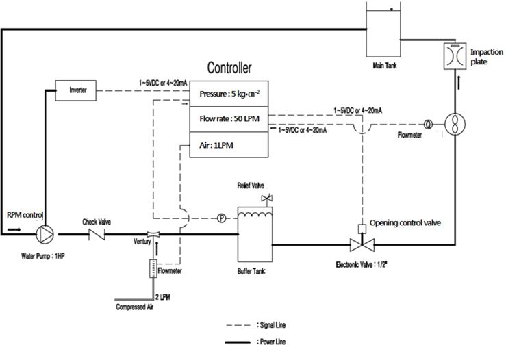
Fig. 1은 마이크로버블 장치(MBG-10, sinsaeng tech., korea), 오존발생기(RN-1, ozone tech., korea), 오존누설 경보기(ES-600, ozone tech., korea), 오존수 농도측정기 (OZW-5000L, ozone tech., korea) 및 멀티측정기 (HI9829, HANNA instrument, USA)로 구성된 실험장치 의 사진과 다이어그램을 나타낸 것이다.
마이크로버블 발생원리는 가압용해방식으로 물과 공기 를 혼합하여 용해탱크로 공급을 하면 일정 압력에서 공 기가 물속에 포화상태까지 용해가 되며, 공기가 과포화 된 물은 발생노즐을 통과하면서 노즐 출구에서 충돌판과 부딪쳐 작은 버블이 생성된다. 오존마이크로버블의 생성 은 마이크로버블 발생 시 주입하는 공기 대신에 오존발 생기를 통하여 오존을 공급하면 오존마이크로버블이 생 성된다.
1.2 오존마이크로버블 성능평가 방법
마이크로버블장치(MBG-10)의 성능을 평가하기 위하여 버블의 크기분포 및 발생량을 측정하였다. 마이크로버블 의 크기 분포와 발생량 측정에는 QICPIC LIXELL (Dynamic Image Analyzing System : 한국기계연구원 (KIMM)) 시스템을 이용하였으며, 기액비(G/L ratio)는 5%로 고정하고 마이크로버블 발생장치에서 토출되는 물 을 연속적으로 270회 샘플링하여 평균값을 기포 입경으 로 산정하였다.
오존마이크로버블 농도는 압력별, 유량별 제어 범위에 서 계측을 실시하여 오존공급량에 따른 적정농도를 계측 하였다.
Table 1은 실험장치의 입력변수와 제어범위를 표시한 것이며, Fig. 2는 제어부의 회로 구성을 나타낸 것이다.
2 살균효과 실험
본 실험은 경상북도 농업기술원 실험실에서 실시하였 고, 공시병원균은 실험실에서 배양한 시들음병균 (Fusarium oxysporum, 후막포자 전염), 역병균 (Phytophthora capsici, 유주자 전염) 및 탄저병균 (Colletotrichum gloeosporioides, 분생포자 전염)을 사용 하였다. 오존수(OW)는 수도수에 오존마이크로버블을 공 급하여 오존농도를 측정하고 이를 원시표준액과 혼합하 여 혼합된 오존농도를 용량비율로 구한 것을 말하며, 오 존가스(OG)는 원시표준액에 직접 오존마이크로버블을 폭 기하여 공급한 것을 말하며 오존공급량으로 나타내었다.
실험조건은 원시표준액 100배액에 처리농도는 오존수 0.5, 1.0, 2.0ppm 3수준, 오존가스는 압력 3.5kgf·cm−2, 오존발생량 3g·h−1로 하였으며, 처리시간은 30, 60, 120, 180초로 실시하였다.
살균효과검정은 각각의 병원균을 감자전즙배지(PDA) 에 7일간 배양한 후 형성된 포자에 멸균수를 배지표면 에 도말하여 살균메스로 긁어 포자를 부유시킨 후 채취 하였으며 농도를 107으로 조절하여 실험에 사용하였다. 역병의 경우 포자가 형성되지 않아 메스로 균사를 긁어 이를 포자대신 실험에 사용하였다. PDA배지에 준비된 포 자현탁액 및 균사부유액을 각 50μL 떨어뜨린 후 배지표 면에 골고루 도말한 다음 24시간 동안 25도에서 배양하 였다. 배양된 각 병원균의 배지에 오존처리액 10mL를 도 말하고 10분 후 제거한 후 25도 항온기에서 5일간 배양 한 후 형성된 균총수를 조사하여 사멸여부를 판정하였다.
결과 및 고찰
1 마이크로버블 시험
1.1 압력별 마이크로버블 사이즈 측정
Fig. 3은 압력 3.5kgf·cm−2일 때 마이크로버블의 입경 분포도와 발생량을 계측한 것이며, 압력 2.5kgf·cm−2 ~ 5.5kgf·cm−2에서도 입경 분포도는 그림과 같이 유사한 패턴을 보였다.
마이크로버블 입경 및 사이즈를 측정한 결과 미세기포 입 경은 넓게 분포되며 평균 입경크기는 27.42μm로 측정되었 고, 마이크로버블의 발생량은 당 평균 12만개로 나타났다.
1.2 압력별 마이크로버블 개수
Fig. 4는 압력별 마이크로버블의 입경분포 개수를 나 타낸 것이다.
Fig. 4에서 입경분포 개수는 10~50 μm 크기가 가장 많이 집중하는 것으로 나타났으며, 마이크로버블의 발생 량은 작동 압력이 높아질수록 증가하는 경향이 나타났으 나 압력이 5.5kgf·cm−2 에서는 3.5~4.5kgf·cm−2 보다 줄 어드는 것으로 나타났다.
이는 노즐로 유입되는 유체 유량이 일정 압력이상일 경우 유량 증가량이 감소하는 특징 때문에 발생량도 감 소한 것으로 판단된다.
1.3 오존 농도
Fig. 5는 오존공급량에 따른 오존수 오존농도를 나타 낸 것이며, Fig. 6은 대기로 배출되는 오존농도를 공급 시간에 따라 측정한 것이다.
Fig. 5와 Fig. 6에서 오존 발생량 3.5g·h−1 일 경우 2분 경과 후 오존수의 오존농도는 2ppm에 도달하면서 대기 로 배출되는 오존농도가 급격히 증가하였고, 발생량 3g·h−1 일 경우, 5분경과 후 오존수의 오존농도는 2ppm 에 도달하면서 대기로 배출되는 오존농도는 0.06ppm으 로 서서히 증가하는 경향으로 나타났다.
국내의 경우 작업환경 기준 오존농도 기준치가 0.1ppm임을 감안하면, 오존마이크로버블을 2ppm으로 만 들기 위해서는 오존 발생량을 3g·h−1로 하고, 발생량에 맞도록 작동시간을 설정하여 공급장치를 순환시키면 생 성이 가능한 것으로 판단된다.
2 병원균 살균효과
2.1 오존수에 의한 병원균 살균효과
Fig. 7은 오존수에 병원균을 현탁하여 처리한 결과 병 원균별 살균정도를 사진과 그래프로 나타낸 것이다.
Fig. 7에서 FO, PC 와 CG 모두 오존농도 0.5ppm, 처리시간 30초만으로도 현저한 감소를 보였다. FO는 오존농도 0.5ppm, 처리시간 60초 이내에서 멸균되었 고, PC는 오존농도 2.0ppm, 처리시간 30초 이내에서 멸균되었으나, CG의 경우 현저히 감소하는 살균효과 는 있었지만 오존농도 2.0ppm, 처리시간 180초 이상 에서도 멸균되지 않은 것으로 나타나 2.0ppm 이상의 오존수를 처리하여야 할 것으로 판단되었다.
2.2 오존가스에 의한 병원균 살균효과
Fig. 8은 오존가스에 병원균을 현탁하여 처리한 경우 병원균별 살균정도를 사진과 그래프로 나타낸 것이다.
Fig. 8에서 FO와 PC, CG 모두 처리시간 120초 이내 에서 병원균의 발아율이 현저히 감소되었다. FO와 PC는 처리시간 180초 이내에서 멸균되었으나, CG의 경우 현 저히 감소하는 살균효과는 있었지만 처리시간 180초 이 상에서도 멸균되지 않은 것으로 나타나 180초 이상 오 존가스를 처리하여야 할 것으로 판단된다. PC는 포자대 신 균사를 사용하여 실험을 하였는데 일반적으로 균사보 다는 포자가 환경스트레스에 대한 저항력이 더 강하기 때문에 포자를 이용한 사멸실험이 추가로 필요할 것으로 판단된다.
살균효과는 Fusarium oxysporum, Phytophthora capsici, Colletotrichum gloeosporioides 순으로 높게 나 타났다










