서 언
과채류 접목묘의 활착율과 묘소질을 향상시키려면 활 착실 내의 광, 기온, 상대습도 등의 물리적 환경요소를 적정 수준으로 관리해야 한다(Kim, 2000;Kim과 Park, 2001). 최근 들어 접목묘 활착실을 보유하고 있는 육묘 장에서는 다단식 이동용 대차에 LED 조명을 설치하여 접목묘의 활착에 사용하고 있다. 이 때 이동용 대차의 각 선반 상부에 부착된 LED 조명은 소비전력이 8W 정 도로서 청색과 적색LED를 혼합한 형태로만 사용되고 있다. 때문에 대차의 각 선반 면에 조사되는 광강도는 20μmol·m-2·s-1 내외의 낮은 수준을 유지하고 있다. 활착 기간에 광강도를 적절한 수준까지 높일 경우 접목묘의 활착이 양호하게 이루어질 뿐만 아니라 접목묘가 활착실 에서 온실 내부로 옮겨진 이후에도 온실 환경에 제대로 적응하면서 건전한 묘로 만들어진다(Kim 등, 2018).
LED는 제조 단계에 따라 칩(chip), 패키지(package) 및 모듈(module)로 구분된다. 칩은 웨이퍼(wafer)에 전극 을 형성하고 절단하는 등의 공정에 의해서 발광이 이루 어지는 최소의 단위이다. 패키지 단계는 LED칩을 기판 전극과 연결하고 형광체와 함께 밀봉하는 공정으로서 와 이어 본딩(wire bonding), 방열 설계, 형광체 도포 및 렌 즈 장착 등이 포함된다. 모듈 공정에서는 패키징된 LED 를 일정한 프레임에 부착해 응용제품으로 만들어 진다. 이 가운데 LED 모듈이 접목묘의 활착 또는 식물생장용 조명으로 사용되고 있다.
최근 들어 LED 모듈을 제조하는 데 필요한 LED 소 자는 수요 증가에 힘입어 가격이 지속적으로 하락되고 있다. 이러한 가운데 백색LED의 소자 가격은 적색 또는 청색LED에 비해서 약 20-40% 정도에 불과하다(https:// www.digikey.kr/). 백색LED가 육안으로는 백색으로 감지 되나, 실제는 청색광과 적색광을 포함하여 가시광선 영 역의 파장이 모두 포함된 연속광 형태의 분광특성을 지니 고 있다. 향후 가격이 저렴한 백색LED를 접목묘의 활착 에 필요한 인공원원으로 사용할 경우 활착용 조명 비용의 절감 등 실용적인 측면에서 유리할 것으로 판단된다.
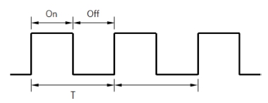
LED 조명은 펄스폭 변조(pulse width modulation)가 가능하기 때문에 주파수와 듀티비(duty ratio)를 다르게 설정하면 점등주기를 임의로 조절할 수 있다. 듀티비는 한 주기에 대해서 펄스가 On 상태인 시간의 비율을 의 미한다(Fig. 1). LED 조명의 점등주기(T, s)와 주파수(f, Hz)의 관계는 다음과 같다.
| $$T=\frac1f$$ | (1) |
예를 들면, 주파수 f = 0.1Hz 일 때 주기 T = 10s이다. 여기에 50%의 듀티비(duty ratio)를 적용할 경우 주기 T = (0.5)(10) = 5s에 해당한다.
일부 육묘장에서는 LED 조명의 듀티비를 다르게 설 정하여 점멸주기를 달리하고 있다. 심지어는 듀티비를 100%로 설정하여 활착 기간 동안 연속적인 조명을 실시 하기도 한다. 이제까지 작물의 생장 및 광합성능력에 미 치는 LED 조명의 주파수 또는 듀티비의 영향에 관한 보고가 많이 이루어졌다(Cho 등, 2013;Kanechi 등, 2016;Kim 등, 2017). 그런데 이러한 보고들은 광합성능 력을 충분하게 지닌 작물을 대상으로 LED 조명이 이루 어진 폐쇄형 식물공장에서 최소 2주 이상 재배된 작물 의 생장 및 광합성속도에 미치는 주파수 또는 듀티비의 효과를 반영한 것이다.
한편 접목묘는 5일 정도의 기간 동안 LED 조명하에 서 활착이 이루어진 후 온실 내에서 정식용 묘로서 완 성된다. 더구나 활착은 절단된 상태의 접수와 대목이 결 합되어 한 개체의 접목묘를 이루어가는 과정으로서 이 기간에 접목묘의 광합성능력은 매우 낮을 수밖에 없다. 그러므로 작물의 생장에 미치는 LED 조명의 주파수 또 는 점멸주기의 효과에 관한 기존 결과를 상대적으로 짧 은 기간에 활착이 이루어지는 접목묘에 적용하는 것은 적합하지 않다. LED 조명의 광질 및 점멸주기를 다르게 설정할 경우 과채류 접목묘의 활착에 미치는 영향이 같 지 않을 것으로 예상되나, 이에 관한 보고가 아직까지 이루어지지 않고 있다. 본 연구는 실용적인 활착용 인공 광원의 탐색을 목적으로 백색LED를 포함하여 활착실 내의 인공광원으로 사용 가능한 LED 모듈의 광질과 점 멸주기에 따른 오이 접목묘의 활착 및 생장 특성을 분 석하고자 수행되었다.
재료 및 방법
1. 공시 품종 및 접목 방법
본 실험에 사용된 접수와 대목의 공시품종은 각각 백 다다기오이 (Cucumis sativus L. cv. Joeun Baekdadaki, Dongbuhitek, Korea)와 흑종호박(Cucurbita ficifolia cv. Heukjong, Monsanto, Korea)이었다. 배지로는 육묘용상 토(BM1, Berger Peat Moss, Canada), 원예용상토 (Middle, Punong, Korea) 및 펄라이트(Perlite, Misung, Korea)를 8:1:1의 비율로 혼합하여 사용하였다. 각각 128공 플러그트레이에서 9~10일간 육묘된 접수와 대목 은 단근 합접 방식으로 접목되었다. 접수는 자엽 아래 1cm 부위에서 45° 각도로 비스듬히 절단되었고, 대목은 뿌리가 제거된 상태에서 자엽 하나만 남겨두고 접수와 결합되었다. 이 때 접수와 대목의 원활하게 결합하도록 접수와 대목의 절단면을 일치시킨 후 접목용 클립을 사 용하여 고정하였다.
활착 기간에 배양액을 저면관수 방식으로 접목 후 6일, 10일째에 공급하였으며, 이 때 배양액의 pH와 EC를 각 각 5.5-6.0, 1.5dS·m-1로 조절하였다.
2. 접목묘 활착 환경
LED의 광질과 점멸주기에 따른 오이 접목묘의 활착 및 생장 특성을 분석하고자 전력소모는 32W로서 동일하나 광질이 서로 다른 4개(청색광, 적색광, 청색광/적색광 혼 합, 백색광)의 LED 모듈을 사용하였다. 청색LED와 적색 LED의 피크파장은 각각 454nm, 664nm 이었다. 한편 백 색LED는 색온도가 3,000K인 온백색으로서, 제1피크파장 과 제2피크파장은 각각 606nm, 448nm이었다(Fig. 2). 본 연구에서는 접목묘의 활착을 위해서 4단 형태의 활착용 선반을 제작하였다. 30×30(W×D) mm의 알루미늄 프로파 일로 제작된 선반의 크기는 1,200×600×2,000(W×D×H) mm로서, 각 단의 간격은 400 mm이다(Fig. 3). 선반의 각 단 상부에 백색광, 적색광, 청색광, 청색광/적색광 혼 합의 LED 조명을 설치하였고, 각 단에 40공의 플러그트 레이가 3개씩 놓이게 된다.
LED 모듈의 점멸 주기(On/Off)를 조절하고자 LED 컨 트롤러(CTRL-4, L-PEC, Korea)를 사용하였고, 4수준 (5s/5s, 7s/3s, 9s/1s, control)의 점멸주기를 설정하였다 (Fig. 4). 점멸주기가 5s/5s인 처리구의 경우 LED 조명 이 5s 간격으로 점등과 소등을 반복한다. 마찬가지로 점 멸주기가 각각 7s/3s, 9s/1s인 처리구는 각각 17.1h, 13.3h 동안의 명기 가능시간에 점멸주기에 따른 점등과 소등을 반복하면서 12h의 명기에 도달하며 이후에는 암 기가 지속된다. 한편, 대조구(control)의 명기와 암기는 각각 12h, 12h이었다. LED의 점멸에 사용된 컨트롤러에 서 주파수의 제어 범위는 0.1-10 kHz, 듀티비는 0-100% 이다. 비록 점멸주기는 다를지라도 모든 처리구에서의 광주기는 12/12h(On/Off)로서 동일하였다. 활착실 내의 기온과 상대습도를 각각 25°C, 90%로 유지하고자 유닛 쿨러(DUR-020E, Dongwha Co. Ltd, Korea)와 가습기 (MH-601, Mtech, Korea)를 PID 컨트롤러(IPC5000D, Honeywell, USA)로 제어하였다. 또한 유닛쿨러에 부착 된 송풍기의 회전속도를 조절하고자 인버터(iG5A, LS Industrial System Co., Ltd, Korea)를 사용하였다. 한편, 접목 후 7일째에 활착실 내의 상대습도를 70%로 조절 하였다. 선반의 각 단에는 T형 열전대와 습도센서(CHSUGS, TDK, Japan)를 설치하였고, 데이터로거(NI-SCXI 1000, National Instruments Co., USA)와 계측용 소프트웨 어(LabVIEW 8.0, National Instruments Co., USA)를 이용 하여 접목묘의 주위의 기온과 상대습도를 측정하였다. 활 착용 선반의 각 단의 9개 지점에서 광양자센서(SKP215, Skye, UK)를 사용하여 측정한 평균 광합성유효광양자속 (photosynthetic photon flux, PPF)은 106±7μmol·m-2·s-1로 나타났다.
3. 활착률 및 생장조사
접목 후 14일째에 광강도에 따른 오이접목묘의 활착율 과 생장특성을 조사하였다. 본 연구에서 활착율은 접목 된 전체 묘의 개체수에 대하여 정상적으로 활착된 묘의 개체수로 정의하였다. 활착율 조사에 사용된 접목묘는 본엽이 3cm2 이상의 크기를 갖는 것으로서, 잎이 시들거 나 변색된 묘는 조사 대상에서 제외하였다.
접목묘의 생장특성으로 엽장, 엽면적, 생체중, 건물중 및 엽록소함량 등을 조사하였다. 생장조사는 각 처리구 당 5주씩, 3반복으로 이루어졌다. 엽면적은 CCD카메라 (VK-C370, Hitachi, Ltd., Japan)를 사용하여 접수와 대 목의 영상을 획득한 후 기지의 물체 면적과 영상 내에 포함된 화소수 사이의 회귀관계를 적용하는 방식으로 산 출하였다. 생체중과 건물중의 측정에 전자저울(AB204-S, Mettler Toledo, Switzerland)을 사용하였고, 건조기(ON- 21, Jeiotech Co., Korea)에서 70°C 조건으로 48h 이상 건조시킨 후 건물중을 측정하였다. 제1본엽의 엽장 측정 에 캘리퍼스(CD-15CP, Mitutoyo Co., Japan)를 사용하 였고, 엽록소함량은 휴대용 엽록소계(SPAD-502, Minolta Co., Japan)를 사용하여 측정하였다. 측정된 모든 데이터 는 SAS(v9.1.3, SAS Institute Inc., USA)를 이용하여 최 소유의차 검정을 실시하였다.
결과 및 고찰
오이접목묘의 활착율은 청색과 적색LED가 혼합된 7s/3s, 9s/1s의 점멸주기 처리구에서 99%로서 최대치가 나타났 고, 청색LED의 5s/5s 처리구에서 93%로 낮게 나타났다 (Fig. 5). 그런데 오이접목묘의 활착율에 미치는 광질 또 는 점멸주기의 효과는 유의차가 나타나지 않았다. 또한, 광질과 점멸주기의 상호작용도 존재하지 않았다(Table 1). 이러한 결과는 접목묘의 활착에 미치는 광질 또는 점멸 주기의 영향이 없음을 의미하는 것이다. 본 연구에서 사 용된 활착용 선반의 크기는 1,200×600×2,000(W×D×H) mm로서, 선반의 각 단마다 광질이 다른 LED 조명을 설 치하였다. 선반의 높이가 동일하지 않기 때문에 각 단에 서의 기온 및 상대습도가 다르게 나타날 수 있고, 이로 말미암아 접목묘의 활착 또는 생장이 다르게 나타날 수 있다. 이러한 점을 극복하고자 본 연구에서는 PID 컨트 롤러를 사용하여 활착실 내에 설치된 유닛쿨러와 가습기 를 제어하였다. 또한 인버터를 사용하여 유닛쿨러에 부착 된 송풍기의 회전속도를 조절하면서 활착실 내의 풍속을 조절하였다. 그 결과 선반의 백색, 적색, 청색 및 청색/적 색 처리구에서 10분 간격으로 측정된 기온의 평균값은 각각 25.8±0.4°C, 25.6±0.2°C, 25.4±0.3°C, 25.3±0.2°C로 서 처리구에 따른 온도차가 거의 없었다(Fig. 6). 또한 백 색, 적색, 청색 및 청색/적색 처리구에서 측정된 상대습도 의 평균값은 각각 90.0±1.4%, 89.4±0.8%, 91.0±1.1%, 92.3±1.5%로 나타났다(Fig. 7). 선반 하단에 위치한 청색 /적색 처리구에서의 상대습도가 높게 나타났고, 선반의 상단으로 올라갈수록 상대습도가 다소 저하되었으나 그 차이는 3% 이내에 불과하였다. 접목묘의 활착율은 활착 실 내의 기온과 상대습도의 영향을 크게 받는다(Kim, 2000). 본 연구에서 활착용 선반의 높이에 따라 LED 조 명의 광질을 다르게 설정하였음에도 불구하고 오이접목 묘의 활착이 93% 이상으로 나타난 것은 활착실 내의 기온과 상대습도가 제어 목표, 즉 25°C와 90%에 근접하 게 이루어진 결과로 판단된다.
Table 1. Statistical analysis of light quality and blink cycle on the graft-taking of grafted cucumber seedlings.
![]() |
현재 접목묘를 생산하고 있는 대부분의 육묘장에서는 청색과 적색LED를 혼합한 LED 모듈을 활착실의 인공 광원으로 사용하고 있다. 한편 청색과 적색LED의 광량 혼합비 또는 LED 조명의 점멸주기는 육묘장에 따라 다 르게 적용되고 있다. LED의 광량 혼합비는 LED 모듈 의 제조업체에 따라 차이가 있으나, 청색광과 적색광이 각각 10-30%, 70-90%의 비율로 혼합되어 있다. LED 제조업체들이 상기의 비율로 접목묘 활착용 LED를 만 드는 이유는 작물의 광합성속도에 미치는 광질의 효과를 반영한 결과로 판단된다. 엽채류의 광합성속도를 극대화 시키는데 청색광과 적색광이 필요하며, 이들의 적정 혼 합 비율은 각각 10-20%, 80-90%로 알려져 있다(Naznin 등, 2016). 그런데 활착 단계에서 접목묘의 광합성능력 은 매우 낮다(Jang 등, 2011;Shibuya 등, 2006). 더구나 단근 합접된 오이접목묘의 발근이 이루어지기까지 최소 2일의 기간이 필요하다(Kim 등, 2018). 이 기간에는 접 수와 대목의 원활한 결합을 위해서 활착실 내의 물리적 환경 요소를 적정 수준으로 관리해야 한다. 즉, 활착실 내의 상대습도를 90% 이상으로 높게 유지하고, 광강도 를 50-100μmol·m-2·s-1 정도로 조절하는 것이 바람직하다 (Kim, 2000;Kim 등, 2018). 그러므로 접목묘의 활착 초기 단계에서는 작물의 광합성능력을 고려한 광질의 선 택보다 접수와 대목의 정상적인 결합이 가능한 물리적 환경의 조성이 필요하다.
오이접목묘의 생장에 미치는 광질과 점멸주기의 영향 은 일정하지 않았다. 엽장은 9s/1s의 점멸주기를 지닌 청 색LED에서 91.6mm의 최고치가 나타났으나, 9s/1s의 점 멸주기를 제외하면 점멸주기에 따른 엽장의 유의차가 나 타나지 않았다(Table 2). 적색LED하에서의 엽장은 9s/1s 의 점멸주기 처리구가 대조구에 비해서 높게 나타났다. 청색과 적색이 혼합된 처리구의 엽장은 7s/3s의 점멸주 기를 제외하면 전체적으로 작게 나타났다. 한편 백색 LED하에서 활착된 접목묘의 엽장은 점멸주기와 무관하 게 유의차가 인정되지 않았다. 엽면적은 청색LED하에서 9s/1s의 주기로 점멸이 이루어질 때 61.75cm2의 최고치가 나타났다. 적색 또는 백색LED하에서 활착된 접목묘의 엽 면적은 점멸주기에 따른 유의차가 나타나지 않았다. 엽장 의 경우와 마찬가지로 청색과 적색이 혼합된 처리구의 엽면적은 전체적으로 작게 나타났다.
Table 2. Growth of grafted cucumber seedlings as affected by light quality and blink cycle of LED modules.
![]() |
생체중은 9s/1s의 점멸주기를 지닌 청색LED하에서의 2.28g의 최고치가 나타났으나, 5s/5s의 점멸주기를 제외 하면 점멸주기에 따른 유의차가 없었다. 적색LED하에서 는 5s/5s의 점멸주기 처리구에서 유의차가 인정될 만큼 작게 나타났다. 백색LED 처리구에서의 생체중은 점멸주 기에 따른 차이가 없었다. 건물중은 5s/5s의 주기로 점멸 된 백색LED 처리구에서 0.208g/plant으로 최고치가 나 타났다. 청색LED하에서 활착된 접목묘의 건물중은 점멸 주기에 따른 유의차가 나타나지 않았다. 적색LED 처리 구의 건물중은 9s/1s의 주기를 제외하면 점멸주기에 따 른 유의차가 없었다. 청색/적색LED의 5s/5s의 점멸주기 처리구에서의 건물중은 유의차가 인정될 만큼 높게 나타 났다.
엽록소함량의 지표로 사용되는 광밀도차(optical density difference, ODD)는 5s/5s의 점멸주기를 지닌 청색/적색 LED 처리구에서 가장 높게 나타났다. 한편, 청색LED 처리구에서의 광밀도차는 전체적으로 작게 나타났다. 백 색LED하에서의 광밀도차는 점멸주기와 상관없이 유의 차가 없었다.
오이접목묘의 엽장, 엽면적, 생체중에 미치는 광질과 점멸주기의 영향은 청색 또는 적색LED의 9s/1s 주기에 서 유의차가 인정될 만큼 높게 나타났다. 한편, 청색/적 색의 혼합 처리구에서는 점멸되는 청색광의 조사시간이 길수록 엽장과 엽면적이 작게 나타났다. 건물중은 광질 과 무관하게 5s/5s의 주기로 점멸된 처리구에서 높게 나 타났다. 백색LED하에서 활착된 오이접목묘의 생장에 미 치는 점멸주기의 영향은 유의차가 없었다.
작물의 생장에 미치는 LED 조명의 주파수 또는 듀티 비의 영향과 관련하여 보고된 이제까지의 연구 결과를 살펴보면 이것들의 영향이 일정한 관계를 갖는 것은 아 니다. 50%의 듀티비를 갖는 LED 조명하에서 4주 동안 수경 재배된 상추의 생장과 형태형성에 미치는 주파수의 효과는 유의차가 없었다(Kim 등, 2017). LED 조명의 주파수가 0.5-500Hz와 1-20kHz인 조건에서 재배된 상추 의 광합성속도는 연속광 조건에 비해서 다소 높게 나타 났으나, 엽록소형광에는 유의차가 없었다(Kanechi 등, 2016). 듀티비를 25-100%로 다르게 설정한 조건에서 생 장된 청치마 상추의 생체중과 건물중은 25%의 듀티비를 제외하고는 듀티비에 따른 유의차가 나타나지 않았다 (Cho 등, 2013). 기내 배양된 감자 소식물체의 생장은 50%의 듀티비와 720Hz의 주파수에서 최고치가 나타났 으나, 에너지 절감의 관점에서는 50%의 듀티비와 180Hz의 주파수를 갖는 LED 조명이 유리하였다(Jao와 Fang, 2004). 이러한 결과들로부터 작물의 생장에 미치 는 LED 조명의 듀티비 또는 점멸주기의 영향은 일정하 지 않은 것으로 판단된다.
본 연구에 사용된 청색, 적색, 청색/적색 혼합 및 백색 LED 모듈의 전력소모는 모두 32W로서 동일하였다. 그 런데 램프를 조명을 제조하는 데 필요한 LED 소자의 가 격이 백색은 약 30원/개이나, 청색 또는 적색의 경우 각 각 80원/개, 130-150원/개로서 백색에 비해서 약 2.6배, 4-5배 정도 비싸다(https://www.digikey.kr/). 백색LED의 소자 가격이 저렴한 이유는 산업 분야에서 백색LED의 수요가 계속해서 늘어나고 있기 때문인데, 이러한 경향 은 앞으로도 지속될 것으로 전망된다.
백색 LED는 형광체를 사용하지 않고 적색, 녹색 및 청색의 3색 LED 칩을 혼합하거나, 청색 LED에서 발광 된 빛이 노란색 형광체를 통과하는 방식에 의해서 만들 어진다(Guo 등, 2015). 전자는 디스플레이 용도로 많이 사용되었으며, 후자는 최근에 사용되면서 저렴한 특징을 지니고 있다. LED 모듈을 제조하려면 패키징된 LED, 기 판, 방열용 heat sink, 빛 확산용 diffuser 등이 필요하다. LED 모듈의 전력소모와 관련 재료의 구입 단가에 따라 차이가 있으나, LED 모듈의 제조원가에서 LED 자체가 차지하는 비중은 청색과 적색LED를 혼합한 모듈은 약 20-35%, 백색LED는 약 10-20% 정도로 추정된다.
접목묘의 생장에 미치는 LED 조명의 광질 및 점멸주 기의 영향은 엽채류의 생장 특성과 비슷하게 일정한 관 계가 나타나지 않았다. 더구나, 점멸주기와 무관하게 적 색LED, 청색/적색 혼합 LED, 백색LED 처리구에서의 활 착율에 유의차가 없었다. 이러한 결과를 종합적으로 고려 하면 접목묘의 활착에 백색LED를 활용할 경우 청색 및 적색을 혼합한 기존의 LED 조명에 비해서 약 10-15%의 비용 절감이 기대된다. 따라서 활착용 조명으로 백색LED 의 활용이 경제적으로 유리할 것으로 판단된다.











